你的购物车目前是空的
看到我们的资源信开云体育台球息中心的焊接,焊接设备&更多!开云体育KG百家乐
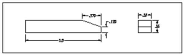
105159年美国丽人电极是一个碳块电极测量1 - 1/2 " x 1/4 " x 1/4 "。105159年105158年和105258年的更换一对电极碳钳机头。105159是一个包2碳块电极。
选择免运费条款:
项目选择免费送货资格将被指定为这样的产品页面。如果只有部分项目在你的订单有资格获得选择免费送货,你将支付的运费不合格的物品。税收可能仍然适用于选择订单。项表示为选择免费送货资格地位仅适用于船位置在美国50个。
国际运输:
运送到美国以外的国家和北美有特殊的要求和规定。航运到你的国家,请求信息与我们联系:sales@m.swflsoldhere.com。所有国际海关费用,关税和税收是收件人的责任。
运输要求:
差异在3天内发货应该报道的收据。包裹在运输过程中损坏应该拒绝,不接受;您联系我们,我们将重新订单。如果你发现任何隐藏(隐藏)运输损坏或丢失物品后打开你的货物,请保存运输箱,打电话给我们,这样我们可以索赔与货运包服务以信贷或替换项。
如果你不满意你的任何理由,你可以返回提示退款或交换的物品。你必须在30天内通知我们装运的任何回报。退款后三十天内退还的物品购买日期将被认为在相同的形式作为原始付款类型。原来的运输和处理费用概不退还,除非你的回报是我们错误的结果。运输必须由客户安排返回。* *看到“保修政策”的问题在工厂保修。
* *返回必须在制造商的原始包装,与所有的条件和手册和配件。可能会有手续费,如果项目是一个特殊的订单项目。
返回一个产品,电话888-765-3371或310-660-0140太平洋时间上午8点到下午5点,返回材料授权(RMA) #。所有退货必须伴随着RMA #;一个RMA #有效期为30天。
保修政策:
所有保证制造商的保证。卖方不承担任何损害、损失或损坏,直接或无足轻重,引起的使用或无法使用的产品。由制造厂商的唯一责任是保证供应商。
你的价格
常规的价格21.25美元出售